Wybór odpowiedniego kotła zasypowego to decyzja, która wpływa nie tylko na komfort cieplny Twojego domu, ale również na Twoje finanse i stan środowiska naturalnego. W obliczu coraz bardziej restrykcyjnych przepisów i rosnącej świadomości ekologicznej, kluczowe jest zrozumienie, jakie kryteria powinien spełniać nowoczesny kocioł. Ten przewodnik pomoże Ci nawigować przez gąszcz technicznych aspektów, prawnych wymogów i praktycznych wyborów, abyś mógł podjąć świadomą decyzję.
Wybór kotła zasypowego: kluczowe aspekty, które musisz znać
- Legalność: Tylko kotły 5. klasy i Ecodesign są dopuszczone do instalacji
- Przepisy antysmogowe: Obowiązują harmonogramy wymiany starych kotłów, za ich nieprzestrzeganie grożą kary
- Typ spalania: Kotły dolnego spalania są efektywniejsze i ekologiczniejsze niż górnego
- Dobór mocy: Kluczowy dla efektywności i żywotności kotła, unikanie przewymiarowania
- Bufor ciepła: Zwiększa sprawność, żywotność i komfort użytkowania nowoczesnych kotłów
- Dofinansowania: Program "Czyste Powietrze" wspiera kotły na drewno/pellet, nie węglowe

Czy kocioł zasypowy to wciąż dobry wybór? Realia i przepisy
Obecnie w Polsce legalnie można instalować wyłącznie kotły na paliwa stałe, które spełniają wymagania 5. klasy według normy PN-EN 303-5:2012 oraz dyrektywy unijnej Ecodesign (Ekoprojekt). Oznacza to, że urządzenia te muszą charakteryzować się wysoką sprawnością, która często przekracza 90%, oraz niską emisją zanieczyszczeń. Ta ostatnia jest weryfikowana zarówno podczas pracy z mocą nominalną, jak i w trybie obniżonym. Te wymogi mają na celu ograniczenie negatywnego wpływu ogrzewania na jakość powietrza.
Warto mieć na uwadze, że wiele regionów Polski wprowadza tzw. uchwały antysmogowe. Są to przepisy, które określają harmonogramy wymiany starych kotłów, potocznie nazywanych "kopciuchami". Przykładowo, w województwach takich jak śląskie, łódzkie czy podkarpackie, od 2026 roku zaczną obowiązywać zakazy użytkowania instalacji grzewczych, które nie spełniają określonych norm. Ignorowanie tych przepisów może prowadzić do konsekwencji finansowych. Za nieprzestrzeganie regulacji grożą kary finansowe, w tym mandaty do 500 zł lub grzywny sięgające nawet 5000 zł. Dlatego tak ważne jest, aby upewnić się, że posiadany lub planowany do zakupu kocioł jest zgodny z obowiązującymi przepisami.
Kluczowe pojęcia, które musisz znać: 5. klasa i Ekoprojekt
Terminy "5. klasa" i "Ecodesign" (Ekoprojekt) to nie tylko formalne oznaczenia, ale przede wszystkim gwarancja, że kocioł spełnia rygorystyczne normy ekologiczne i efektywności energetycznej. 5. klasa, określona przez normę PN-EN 303-5:2012, definiuje wymagania dotyczące emisji szkodliwych substancji i sprawności kotłów na paliwa stałe. Ecodesign to z kolei dyrektywa unijna, która wyznacza standardy projektowania ekologicznego dla urządzeń grzewczych, skupiając się na minimalizacji wpływu na środowisko przez cały cykl życia produktu. W praktyce oznacza to, że kotły te są zaprojektowane tak, aby spalać paliwo w sposób jak najbardziej efektywny i czysty, co przekłada się na niższe rachunki za ogrzewanie i mniejsze zanieczyszczenie powietrza.Kara za "kopciucha": ile kosztuje ignorowanie przepisów?
Nieprzestrzeganie przepisów antymogowych i użytkowanie nielegalnego kotła może wiązać się z poważnymi konsekwencjami finansowymi. Kontrole przeprowadzane przez odpowiednie służby mogą skutkować nałożeniem mandatu w wysokości do 500 złotych. W skrajnych przypadkach, gdy sprawa trafi do sądu, grzywna może wynieść nawet 5000 złotych. Dlatego inwestycja w nowoczesny, certyfikowany kocioł to nie tylko kwestia ekologii, ale także sposób na uniknięcie niepotrzebnych wydatków i problemów prawnych.

Spalanie dolne vs górne: fundamentalna różnica, która wpływa na Twój portfel i środowisko
Podstawowe rozróżnienie techniczne wśród kotłów zasypowych dotyczy sposobu spalania paliwa. Zrozumienie tej różnicy jest kluczowe dla wyboru urządzenia, które będzie efektywne, ekologiczne i ekonomiczne w eksploatacji.
Dlaczego kotły górnego spalania odchodzą do lamusa?
Kotły z górnym spalaniem, choć często postrzegane jako prostsze i tańsze w zakupie, w praktyce okazują się rozwiązaniem coraz mniej atrakcyjnym. Ich główną wadą jest niższa efektywność procesu spalania oraz znacznie wyższa emisja szkodliwych substancji. Proces spalania w tych kotłach jest mniej kontrolowany, co prowadzi do niepełnego spalania paliwa i powstawania większej ilości sadzy oraz innych zanieczyszczeń. W efekcie, kotły te z trudem spełniają współczesne normy emisyjne i energetyczne, przez co ich instalacja jest coraz mniej opłacalna, a w wielu miejscach wręcz nielegalna.
Kocioł dolnego spalania: wyższa sprawność i czystsze spalanie w praktyce
Nowoczesne, certyfikowane kotły zasypowe to niemal wyłącznie konstrukcje wykorzystujące spalanie dolne. Ten typ spalania polega na tym, że paliwo jest doprowadzane do strefy żaru od dołu, co zapewnia znacznie bardziej kontrolowany i efektywny proces. Dzięki temu spalanie jest czystsze, a ilość wytwarzanego ciepła jest wyższa przy mniejszym zużyciu paliwa. Kotły dolnego spalania charakteryzują się wyższą sprawnością i tzw. stałopalnością, co oznacza, że mogą pracować dłużej na jednym zasypie paliwa. Jest to rozwiązanie bardziej ekologiczne i ekonomiczne w dłuższej perspektywie.
Jak typ spalania wpływa na rodzaj paliwa, którego możesz używać?
Wybór kotła z dolnym spalaniem wiąże się z pewnymi wymaganiami dotyczącymi paliwa. Aby zapewnić optymalną pracę i maksymalną wydajność, kotły te wymagają stosowania paliwa o określonej jakości i granulacji. Zazwyczaj oznacza to konieczność używania węgla kamiennego lub brunatnego o odpowiedniej kaloryczności i niskiej zawartości siarki, a także drewna o niskiej wilgotności. Stosowanie niewłaściwego paliwa może obniżyć sprawność kotła, prowadzić do szybszego zużycia jego elementów, a nawet awarii.

Jak idealnie dobrać moc kotła do Twojego domu i uniknąć kosztownych błędów?
Prawidłowy dobór mocy kotła grzewczego to jeden z najważniejszych czynników decydujących o jego efektywności, żywotności i kosztach eksploatacji. Zbyt duża lub zbyt mała moc może prowadzić do szeregu problemów.
Dlaczego przewymiarowany kocioł to zły pomysł? Konsekwencje dla spalania i żywotności
Wielu inwestorów popełnia błąd, decydując się na kocioł o mocy większej niż wynikałoby to z rzeczywistego zapotrzebowania budynku na ciepło. Przewymiarowany kocioł, zamiast pracować z optymalną wydajnością, często pracuje na niskich obrotach lub jest często uruchamiany i wyłączany. Prowadzi to do tzw. "duszenia się" kotła, czyli niepełnego spalania, które generuje więcej zanieczyszczeń i obniża jego sprawność. Dodatkowo, częste cykle pracy i wyłączania skracają żywotność urządzenia, a zwiększone zużycie paliwa wcale nie musi oznaczać lepszego ogrzania domu. W skrajnych przypadkach może to prowadzić nawet do szybszego zużycia elementów kotła, takich jak wymiennik ciepła.Praktyczny przelicznik: jaka moc kotła do domu 100m², 150m² i 200m²?
Chociaż dokładne zapotrzebowanie na ciepło zależy od wielu czynników, można przyjąć pewne orientacyjne przeliczniki mocy kotła na metraż domu. Dla domu o powierzchni 100 m², zazwyczaj wystarczający jest kocioł o mocy około 10-15 kW. Dla domu 150 m², moc kotła powinna wynosić w przybliżeniu 15-20 kW. Natomiast dla domu o powierzchni 200 m², zalecana moc kotła to zazwyczaj 20-25 kW. Należy jednak pamiętać, że są to wartości poglądowe. Zawsze warto skonsultować się ze specjalistą, który dokładnie obliczy zapotrzebowanie na ciepło, uwzględniając specyfikę budynku.
Rola ocieplenia budynku w doborze mocy kotła
Jakość ocieplenia budynku ma fundamentalne znaczenie dla doboru mocy kotła. Dobrze ocieplony dom potrzebuje znacznie mniej energii do ogrzania niż budynek z niewystarczającą izolacją termiczną. W przypadku starszych budynków, które nie przeszły termomodernizacji, zapotrzebowanie na ciepło może być nawet dwukrotnie wyższe niż w przypadku budynków nowoczesnych, o porównywalnej powierzchni. Dlatego przed zakupem kotła, warto rozważyć poprawę izolacji ścian, dachu i wymianę okien. Może to pozwolić na wybór mniejszego, a tym samym tańszego w zakupie i eksploatacji kotła.
Czym legalnie i efektywnie palić? Przewodnik po paliwach do kotłów zasypowych
Wybór odpowiedniego paliwa jest równie ważny, jak wybór samego kotła. Różne rodzaje paliw stałych mają odmienne właściwości, które wpływają na efektywność ogrzewania, koszty i wpływ na środowisko.
Węgiel, drewno, a może pellet? Co wybrać i na co zwrócić uwagę?
Każde z tych paliw ma swoje zalety i wady. Węgiel kamienny, szczególnie ten o wysokiej kaloryczności, jest bardzo wydajny, ale jego spalanie generuje więcej zanieczyszczeń i wymaga odpowiedniego przechowywania. Drewno jest paliwem ekologicznym, odnawialnym, ale jego efektywność zależy od wilgotności suche drewno spala się znacznie lepiej. Pellet, produkowany z biomasy, jest wygodny w użyciu i ekologiczny, ale jego cena bywa wyższa, a stosowanie wymaga kotłów przystosowanych do tego paliwa.
Jakość paliwa a realne koszty ogrzewania i awaryjność kotła
Niska jakość paliwa, np. wilgotne drewno, węgiel niskiej klasy z dużą ilością miału i siarki, może znacząco obniżyć sprawność kotła. Prowadzi to do zwiększonego zużycia paliwa, a tym samym wyższych kosztów ogrzewania. Co więcej, nieodpowiednie paliwo może powodować szybsze zużycie elementów kotła, korozję wymiennika ciepła, a nawet prowadzić do awarii. Dlatego tak ważne jest, aby inwestować w paliwo dobrej jakości, które zapewni optymalną pracę kotła i jego długowieczność.Jakie paliwa są dopuszczone w Twoim regionie? Sprawdź lokalne ograniczenia
Pamiętaj, że lokalne uchwały antysmogowe mogą nakładać ograniczenia na stosowanie niektórych rodzajów paliw. W niektórych regionach zabronione jest używanie węgla niskiej jakości, mułów węglowych, flotokoncentratów czy nawet mokrego drewna. Zanim dokonasz zakupu paliwa, upewnij się, że jest ono dopuszczone do użytku w Twojej okolicy. Informacje na ten temat znajdziesz na stronach internetowych urzędów miast i gmin lub w lokalnych biuletynach informacji publicznej.
Żeliwo kontra stal: jaki materiał kotła zapewni największą trwałość?
Wybór materiału, z którego wykonany jest kocioł, ma istotny wpływ na jego właściwości, trwałość i cenę. Zarówno kotły żeliwne, jak i stalowe mają swoje specyficzne cechy.
Kotły żeliwne: legendarna trwałość czy przestarzała technologia?
Kotły żeliwne są znane ze swojej długowieczności i odporności na korozję. Żeliwo jest materiałem trwałym, który dobrze znosi wysokie temperatury. Jednakże, kotły żeliwne są ciężkie, kruche i podatne na uszkodzenia mechaniczne spowodowane np. gwałtownymi zmianami temperatury (tzw. szok termiczny). Nowoczesne technologie i wymagania dotyczące efektywności energetycznej sprawiają, że kotły żeliwne coraz rzadziej spełniają najnowsze normy, a ich konstrukcja może być mniej optymalna pod kątem wymiany ciepła.
Kotły stalowe: nowoczesne konstrukcje i wyższa sprawność czy to standard?
Kotły stalowe stanowią obecnie standard na rynku nowoczesnych kotłów zasypowych. Są lżejsze od żeliwnych, co ułatwia ich transport i montaż. Ich konstrukcja pozwala na zastosowanie bardziej zaawansowanych rozwiązań technicznych, które przekładają się na wyższą sprawność i lepszą kontrolę procesu spalania. Stal jest również bardziej elastyczna niż żeliwo, co zmniejsza ryzyko pęknięć spowodowanych naprężeniami termicznymi. Nowoczesne kotły stalowe, wykonane z wysokiej jakości stali i odpowiednio zabezpieczone antykorozyjnie, mogą służyć przez wiele lat.

Elementy, o których nie możesz zapomnieć: bufor ciepła i automatyka
Aby w pełni wykorzystać potencjał nowoczesnego kotła zasypowego i zapewnić sobie maksymalny komfort, warto rozważyć instalację dodatkowych elementów, takich jak bufor ciepła i systemy automatyki.
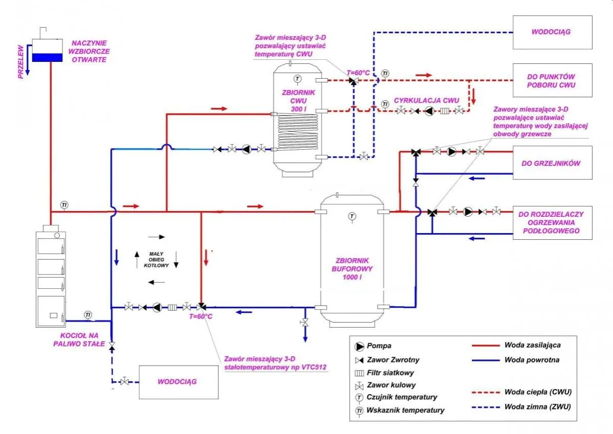
Bufor ciepła: czy to obowiązkowy dodatek do nowoczesnego kotła zasypowego?
Nowoczesne kotły zasypowe, zwłaszcza te spełniające normy 5. klasy i Ecodesign, często wymagają współpracy z buforem ciepła, czyli zbiornikiem akumulacyjnym. Jest to element, który magazynuje nadwyżki ciepła wytworzonego przez kocioł. Dzięki temu kocioł może pracować w optymalnym trybie, z mocą nominalną, nawet gdy zapotrzebowanie na ciepło w budynku jest chwilowo niższe. Eliminuje to konieczność częstego gaszenia i rozpalania kotła, co znacząco zwiększa jego sprawność i żywotność.
Jak bufor ciepła zwiększa komfort i obniża zużycie paliwa?
Magazynowanie ciepła w buforze pozwala na jego wykorzystanie w dogodnym momencie, np. gdy zapotrzebowanie na ogrzewanie wzrasta. Oznacza to, że kocioł pracuje bardziej stabilnie i efektywnie, co przekłada się na niższe zużycie paliwa. Ponadto, dzięki buforowi, ciepło jest dostarczane do instalacji grzewczej w sposób bardziej równomierny, co zwiększa komfort cieplny w pomieszczeniach. Rzadsze dokładanie paliwa do kotła to również znaczące ułatwienie w codziennym użytkowaniu.
Sterowniki, miarkownik ciągu, wentylator: jak ułatwić sobie obsługę kotłowni?
Automatyka odgrywa coraz większą rolę w obsłudze nowoczesnych kotłów. Sterowniki pozwalają na precyzyjne zarządzanie procesem spalania, regulację temperatury wody w kotle i instalacji, a także sterowanie pompami obiegowymi. Miarkownik ciągu powietrza mechanicznie reguluje dopływ powietrza do komory spalania, optymalizując proces i zapobiegając przegrzewaniu. Wentylator nadmuchowy, często stosowany w kotłach zasypowych, zapewnia stabilny dopływ powietrza, co ułatwia rozpalanie i utrzymanie ognia. Te elementy znacząco ułatwiają obsługę kotłowni i pozwalają na bardziej efektywne wykorzystanie energii.
Dofinansowanie do kotła zasypowego: czy program "Czyste Powietrze" jest dla Ciebie?
Wymiana starego, nieefektywnego kotła na nowe, ekologiczne urządzenie może być wsparta finansowo. Program "Czyste Powietrze" to jedno z głównych narzędzi wspierających termomodernizację budynków i wymianę źródeł ciepła.
Jakie kotły zasypowe kwalifikują się do dotacji?
W ramach programu "Czyste Powietrze" istnieje możliwość uzyskania dofinansowania na wymianę starego źródła ciepła na nowe. Należy jednak pamiętać, że nie wszystkie kotły zasypowe kwalifikują się do wsparcia. Kotły zasypowe na węgiel, ze względu na swoje właściwości emisyjne, są często wykluczone z dotacji. Szansę na uzyskanie wsparcia mają natomiast kotły zgazowujące drewno lub kotły na pellet, pod warunkiem, że spełniają one określone kryteria techniczne i znajdują się na liście Zielonych Urządzeń i Materiałów (ZUM). Lista ta jest regularnie aktualizowana i zawiera urządzenia, które spełniają wymogi programu.
Przeczytaj również: Kocioł elektryczny: Czy warto? Koszty, moc i opłacalność w 2024
Gdzie szukać informacji o lokalnych programach wsparcia?
Oprócz ogólnopolskiego programu "Czyste Powietrze", warto sprawdzić, czy w Twojej gminie lub województwie nie funkcjonują dodatkowe, lokalne programy wsparcia. Samorządy często uruchamiają własne inicjatywy mające na celu poprawę jakości powietrza i wsparcie mieszkańców w wymianie starych kotłów. Informacje o takich programach można znaleźć na stronach internetowych urzędów miast i gmin, a także w lokalnych biuletynach informacyjnych. Skorzystanie z dostępnych form dofinansowania może znacząco obniżyć koszty inwestycji w nowy, ekologiczny kocioł.
