Kocioł na paliwo stałe to serce domowego systemu grzewczego dla wielu gospodarstw. Choć na rynku dostępne są nowoczesne alternatywy, zrozumienie podstaw działania, rodzajów paliw i obowiązujących przepisów jest kluczowe dla każdego, kto rozważa lub już posiada takie urządzenie. W tym artykule przybliżę Ci świat kotłów na paliwo stałe, rozwiewając wszelkie wątpliwości.
Kocioł na paliwo stałe: Podstawowe informacje dla początkujących
- Kocioł na paliwo stałe to urządzenie grzewcze spalające materiały takie jak węgiel, drewno czy pellet
- Działanie opiera się na komorze spalania i wymienniku ciepła, przekazującym energię do instalacji CO
- Od 1 stycznia 2020 roku w Polsce sprzedawane są wyłącznie kotły spełniające rygorystyczne wymogi Ekoprojektu
- Dopuszczone paliwa to certyfikowany ekogroszek, pellet drzewny oraz sezonowane drewno o niskiej wilgotności
- Niedozwolone paliwa, jak muły węglowe czy mokre drewno, są szkodliwe dla kotła i środowiska
- Uchwały antysmogowe określają terminy wymiany starych pieców, zróżnicowane regionalnie

Kocioł na paliwo stałe od podstaw: Czym jest i jak działa to urządzenie?
Definicja dla każdego: Co kryje się pod pojęciem "kocioł na paliwo stałe"?
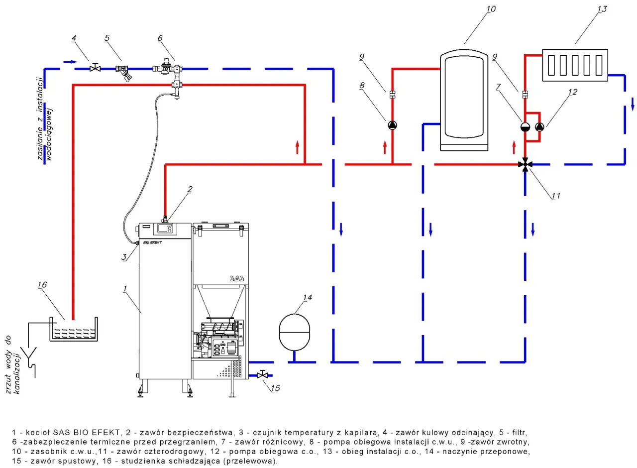
Najprościej mówiąc, kocioł na paliwo stałe to urządzenie, którego głównym zadaniem jest wytworzenie ciepła poprzez spalanie materiałów w formie stałej. Mówimy tu o takich surowcach jak węgiel, najczęściej w postaci ekogroszku, ale także o drewnie, pellecie drzewnym czy brykiecie. Ciepło wygenerowane w procesie spalania jest następnie wykorzystywane do ogrzewania wody krążącej w instalacji centralnego ogrzewania (CO), a często także do podgrzewania ciepłej wody użytkowej (CWU).
Od załadunku opału do ciepłych grzejników: Zasada działania krok po kroku
Działanie kotła na paliwo stałe opiera się na kilku kluczowych etapach. Proces rozpoczyna się od załadunku paliwa do specjalnej komory. Następnie, w zależności od typu kotła, paliwo jest zapalane i zaczyna się spalać. W nowoczesnych kotłach z podajnikiem proces ten jest zautomatyzowany paliwo jest sukcesywnie dostarczane do paleniska, a system kontroluje ilość powietrza potrzebnego do optymalnego spalania. Gorące spaliny, powstające w wyniku tego procesu, przepływają przez wymiennik ciepła. Tam oddają swoją energię cieplną wodzie grzewczej, która następnie trafia do grzejników w całym domu, ogrzewając pomieszczenia. Woda po oddaniu ciepła wraca do kotła, zamykając obieg. Zaawansowane sterowniki w nowoczesnych kotłach monitorują temperaturę wody i dostosowują proces spalania, aby utrzymać zadaną temperaturę i zapewnić jak najwyższą efektywność energetyczną.
Serce systemu: Rola komory spalania i wymiennika ciepła
Dwa fundamentalne elementy każdego kotła na paliwo stałe to komora spalania i wymiennik ciepła. Komora spalania to miejsce, gdzie faktycznie dochodzi do spalania paliwa. Tutaj odpowiednio dostarczane powietrze (tlen) reaguje z paliwem, uwalniając energię cieplną. Jej konstrukcja i wielkość mają znaczący wpływ na efektywność procesu spalania. Z kolei wymiennik ciepła to system kanałów lub płaszczy, przez które przepływają gorące spaliny. Jego zadaniem jest maksymalne odebranie ciepła od spalin i przekazanie go do wody krążącej w instalacji grzewczej. Im lepszy i bardziej wydajny wymiennik, tym mniej ciepła ucieka z komina, a my możemy cieszyć się niższymi rachunkami za ogrzewanie.

Nie tylko węgiel czym można legalnie i efektywnie palić w nowoczesnym kotle?
Ekogroszek i pellet: Wygoda i ekologia dzięki automatyzacji
Ekogroszek i pellet to obecnie jedne z najpopularniejszych i najbardziej rekomendowanych paliw do nowoczesnych kotłów na paliwo stałe. Ekogroszek to specjalnie przygotowany, drobnoziarnisty węgiel kamienny o niskiej zawartości siarki i wilgoci. Pellet drzewny to z kolei granulki produkowane ze sprasowanych trocin i wiórów drzewnych, często uznawane za paliwo ekologiczne. Oba te paliwa doskonale nadają się do kotłów z automatycznym podajnikiem. System sam dozuje odpowiednią ilość paliwa do paleniska, co znacząco podnosi komfort użytkowania nie musimy martwić się o codzienne dokładanie opału. Ponadto, dzięki kontrolowanemu procesowi spalania, kotły te osiągają wysoką efektywność i generują znacznie mniej szkodliwych emisji. Ważne jest, aby używać paliw certyfikowanych, które spełniają określone normy jakości.
Drewno kawałkowe: Kiedy jest zgodne z prawem i opłacalne?
Drewno kawałkowe, jako paliwo stałe, jest nadal popularne, zwłaszcza w regionach, gdzie jest łatwo dostępne. Jednak aby jego spalanie było efektywne i zgodne z przepisami, kluczowe jest spełnienie jednego, niezwykle ważnego warunku: wilgotność drewna nie może przekraczać 20%. Oznacza to, że drewno musi być odpowiednio sezonowane, czyli suszone przez co najmniej dwa lata w przewiewnym miejscu. Spalanie mokrego drewna prowadzi do znacznie niższej temperatury spalania, co skutkuje niepełnym spalaniem, dużą ilością sadzy w kotle i kominie, a także emisją szkodliwych substancji do atmosfery. Sezonowane drewno, mimo że wymaga ręcznego dokładania do kotła zasypowego, może być bardzo opłacalne, zwłaszcza jeśli mamy do niego łatwy dostęp.Zakazane paliwa: Czego absolutnie nie wolno wrzucać do pieca i dlaczego?
Aby chronić nasze zdrowie, środowisko i zapewnić długą żywotność kotła, istnieją paliwa, których spalanie jest absolutnie zabronione. Należą do nich:
- Muły węglowe i flotokoncentraty: Są to odpady węglowe, które charakteryzują się bardzo niską wartością opałową i wysoką zawartością wilgoci oraz zanieczyszczeń. Ich spalanie jest nieefektywne i prowadzi do szybkiego niszczenia kotła.
- Mokre drewno: Jak już wspominałem, drewno o wilgotności powyżej 20% powoduje problemy z efektywnością i emisją.
- Tworzywa sztuczne, opakowania, śmieci: Spalanie odpadów komunalnych jest skrajnie szkodliwe. Uwalnia do atmosfery bardzo toksyczne związki chemiczne, w tym dioksyny i furany, które są rakotwórcze i stanowią poważne zagrożenie dla zdrowia ludzi i zwierząt.
- Wysokoemisyjne paliwa węglowe: W niektórych regionach obowiązują zakazy spalania określonych rodzajów węgla, np. węgla brunatnego czy miału węglowego.
Stosowanie zakazanych paliw nie tylko prowadzi do szybkiego zużycia kotła i drogich napraw, ale przede wszystkim jest nielegalne i niebezpieczne dla otoczenia.

Przewodnik po rodzajach kotłów: Który model wybrać w obecnych czasach?
Kocioł z podajnikiem automatycznym vs. zasypowy: Porównanie wygody i kosztów
Wybór między kotłem z podajnikiem a kotłem zasypowym to często dylemat między wygodą a ceną. Kotły zasypowe, które wymagają ręcznego dokładania paliwa, są zazwyczaj tańsze w zakupie. Ich obsługa jest jednak bardziej pracochłonna wymaga regularnego uzupełniania paliwa i częstszego czyszczenia. Z kolei kotły z podajnikiem automatycznym, choć droższe na starcie, oferują nieporównywalnie większy komfort. Wystarczy załadować zasobnik paliwem raz na kilka dni (lub nawet tygodni, w zależności od wielkości zasobnika i zapotrzebowania na ciepło), a kocioł sam zadba o jego dozowanie. To rozwiązanie idealne dla osób ceniących sobie wygodę i chcących zminimalizować czas poświęcony na obsługę systemu grzewczego. Nowoczesne kotły z podajnikiem często osiągają też wyższą efektywność spalania.
Spalanie dolne a górne: Technologia, która decyduje o czystości i wydajności
Kolejnym ważnym rozróżnieniem jest sposób spalania w kotle: dolne lub górne. W kotłach ze spalaniem górnym (tradycyjnych) paliwo jest dokładane od góry i spala się stopniowo w dół. Jest to rozwiązanie prostsze, ale często mniej efektywne i generujące więcej zanieczyszczeń. Kotły ze spalaniem dolnym działają na zasadzie zgazowania paliwa, gdzie proces spalania odbywa się w dolnej części komory, a gorące gazy są kierowane do górnej części, gdzie następuje ich dopalanie. Ta technologia pozwala na osiągnięcie wyższej temperatury spalania, co przekłada się na lepszą efektywność energetyczną i znacznie niższą emisję szkodliwych substancji. Wiele nowoczesnych kotłów spełniających normy Ekoprojektu wykorzystuje właśnie spalanie dolne lub jego zaawansowane warianty.
Kotły zgazowujące drewno: Rozwiązanie dla najbardziej wymagających
Szczególnym rodzajem kotłów ze spalaniem dolnym są kotły zgazowujące drewno, często nazywane kotłami pirolitycznymi. Ich działanie polega na procesie pirolizy, czyli suchej destylacji drewna w wysokiej temperaturze i przy ograniczonym dostępie tlenu. W wyniku tego procesu powstaje gaz drzewny, który następnie jest spalany w specjalnej komorze z dużą ilością powietrza. Kotły te są niezwykle wydajne i ekologiczne. Charakteryzują się bardzo niską emisją zanieczyszczeń i wysoką sprawnością, co oznacza, że z tej samej ilości drewna uzyskamy więcej ciepła niż w tradycyjnym kotle. Są to urządzenia dedykowane dla użytkowników, którzy chcą ogrzewać dom drewnem w najbardziej ekologiczny i efektywny sposób, ale wymagają one zazwyczaj odpowiedniego, suchego drewna i starannej obsługi.Prawo i ekologia: Co każdy właściciel domu musi wiedzieć o normach w 2026 roku?
Ekoprojekt (Ecodesign): Obowiązkowy standard dla każdego nowego kotła
Od 1 stycznia 2020 roku rynek kotłów na paliwo stałe w Polsce, podobnie jak w całej Unii Europejskiej, przeszedł rewolucję. Wprowadzono wymogi dyrektywy Ekoprojekt (Ecodesign), które określają minimalne standardy dla urządzeń grzewczych. Oznacza to, że od tej daty do obrotu mogą być wprowadzane wyłącznie kotły, które spełniają te rygorystyczne normy. Ekoprojekt koncentruje się na dwóch kluczowych aspektach: efektywności energetycznej i emisji zanieczyszczeń. Wymaga on osiągnięcia określonej sezonowej efektywności energetycznej oraz drastycznego ograniczenia emisji szkodliwych substancji, takich jak tlenek węgla (CO), pyły zawieszone (PM), organiczne związki gazowe (OGC) oraz tlenki azotu (NOx). To ważny krok w kierunku poprawy jakości powietrza w naszym kraju.
Od 1 stycznia 2020 roku do obrotu można wprowadzać wyłącznie kotły spełniające wymogi Ekoprojektu.
Kocioł 5. klasy a Ekoprojekt: Dlaczego to już nie to samo?
Wiele osób wciąż kojarzy normy emisyjne z "kotłem 5. klasy". Należy jednak podkreślić, że klasyfikacja ta pochodzi ze starszej polskiej normy PN-EN 303-5:2012 i jest już niewystarczająca w świetle obecnych przepisów. Kotły, które spełniały wymogi 5. klasy, mogą nie być zgodne z bardziej restrykcyjnymi parametrami Ekoprojektu. Dlatego, kupując nowy kocioł, należy upewnić się, że posiada on certyfikat Ekoprojektu, a nie tylko deklarację zgodności z 5. klasą. Ekoprojekt jest bardziej kompleksowy i uwzględnia szerszy zakres parametrów, w tym efektywność sezonową, która jest kluczowa dla realnych oszczędności i wpływu na środowisko.
Uchwały antysmogowe: Sprawdź, do kiedy musisz wymienić stary piec w swoim regionie
Poza ogólnounijnymi przepisami Ekoprojekt, w Polsce obowiązują również lokalne uchwały antysmogowe. Są one przyjmowane przez sejmiki wojewódzkie i mają na celu stopniowe wycofywanie z użytku starych, nieefektywnych i bardzo emisyjnych kotłów, potocznie nazywanych "kopciuchami". Uchwały te określają harmonogramy wymiany takich urządzeń. W zależności od województwa i typu kotła, terminy te mogą się różnić. Na przykład, w niektórych regionach właściciele najstarszych kotłów bez certyfikatów musieli wymienić je do końca 2023 roku, podczas gdy inne terminy mogą przypadać na rok 2026 lub później. Niedotrzymanie tych terminów grozi karami finansowymi, nakładanymi przez straż miejską lub gminną. Dlatego tak ważne jest, aby sprawdzić przepisy obowiązujące w swoim miejscu zamieszkania i zaplanować ewentualną wymianę kotła.Kocioł na paliwo stałe czy to nadal opłacalny wybór dla Twojego domu?
Argumenty "za": Niezależność energetyczna i potencjalnie niższe koszty opału
Pomimo rozwoju technologii, kotły na paliwo stałe nadal mają swoje mocne strony. Przede wszystkim zapewniają niezależność energetyczną. Nie jesteśmy uzależnieni od dostaw gazu ziemnego czy przerw w dostawie prądu, co daje poczucie bezpieczeństwa, zwłaszcza w trudniejszych warunkach pogodowych. Ponadto, w wielu przypadkach, zakup paliwa stałego, takiego jak węgiel czy drewno, może być tańszy niż ogrzewanie gazem czy prądem, szczególnie jeśli mamy dostęp do lokalnych, tańszych źródeł opału. W kontekście dynamicznie zmieniających się cen energii, ta przewidywalność kosztów może być znaczącym atutem.
Argumenty "przeciw": Konieczność obsługi, magazynowania paliwa i wpływ na jakość powietrza
Nie można jednak zapominać o wadach tego rozwiązania. Głównym minusem jest konieczność regularnej obsługi. Kotły na paliwo stałe wymagają częstego dokładania paliwa, opróżniania popielnika i okresowego czyszczenia. To pochłania czas i wymaga wysiłku. Kolejnym aspektem jest potrzeba magazynowania opału. Węgiel, drewno czy pellet zajmują sporo miejsca, dlatego niezbędne jest posiadanie odpowiedniego, suchego pomieszczenia do ich przechowywania. Wreszcie, mimo postępów w technologii, nawet najbardziej ekologiczne kotły na paliwo stałe, jeśli nie są prawidłowo eksploatowane lub używa się w nich niewłaściwego paliwa, mogą negatywnie wpływać na jakość powietrza, zwłaszcza w gęsto zabudowanych obszarach.
Przeczytaj również: Jaki kocioł na 300m2? Wybór, koszty, dotacje - poradnik
Jakie są alternatywy? Krótki przegląd pomp ciepła, kotłów gazowych i ogrzewania elektrycznego
Jeśli rozważasz ogrzewanie swojego domu, warto przyjrzeć się również alternatywnym rozwiązaniom. Pompy ciepła wykorzystują energię z otoczenia (powietrza, gruntu, wody) do ogrzewania domu, co czyni je bardzo ekologicznymi i ekonomicznymi w eksploatacji, choć początkowy koszt inwestycji jest wysoki. Kotły gazowe, jeśli masz dostęp do sieci gazowej, oferują wysoki komfort użytkowania i stosunkowo czyste spalanie, ale wiążą się z uzależnieniem od dostawcy gazu i jego cen. Ogrzewanie elektryczne (grzejniki elektryczne, piece akumulacyjne) jest proste w instalacji i obsłudze, ale może generować wysokie rachunki za prąd, chyba że korzystamy z taryfy nocnej lub własnej instalacji fotowoltaicznej.
